102-EI03005-XX

规格 EI30/5 0.5VA
频率 50/60 赫兹
真空灌封
分体骨架
温度等级 ta 70°C/B
包装单位:25 件(管装)
重量 0.06 千克
防短路(标注处:机构认证下的 1/2/3*)

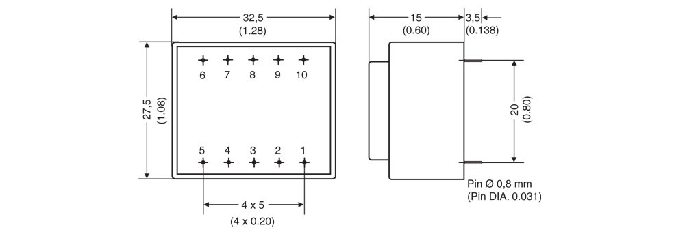
产品尺寸及外形图 Configuration & Dimensions  UNITmm

尺寸图.jpg


原理图  Schematic Diagram

原理图.jpg


电气参数 Electric Characters

4bc9c9c0-ee76-4370-b8f1-398414789e45.png