102-EI04816-04

产品特点
超精准参数:各档位直流电阻公差仅 ±3%,远高于常规标准,适配对精度要求高的场景
多阻抗覆盖:副边提供多档位,能灵活匹配不同设备的阻抗需求
安装与安全兼顾:带标准化安装支架,高耐压,高绝缘阻抗,保障电气与机械适配性

执行标准
符合RoHS 指令要求。
产品所用塑料材质满足UL94 V-0 级阻燃标准。

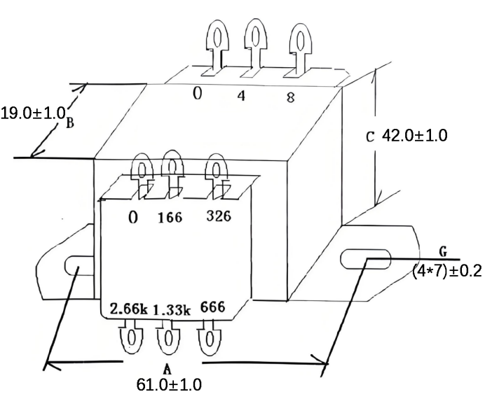
产品尺寸及外形图 Configuration & Dimensions  UNITmm

image.png


原理图  Schematic Diagram

image.png


电气参数 Electric Characters

    image.png