101-EER3411-01

产品特点
布局适配灵活:尺寸紧凑,适配不同电路的高密度布局;
性能精准可控:电感与漏电感参数稳定,能量传输损耗低
安全防护突出:高耐压,搭配扭绞引线设计,电气安全性与抗干扰能力优异

执行标准
符合 RoHS 环保指令
所使用的塑料材质满足 UL94 V-0 阻燃等级要求

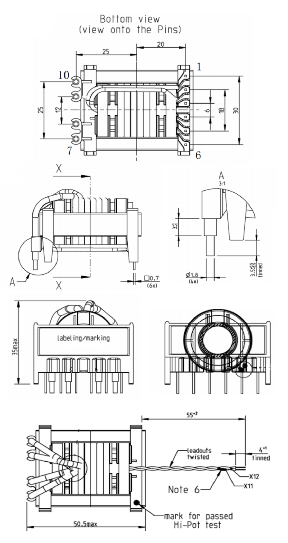
产品尺寸及外形图 Configuration & Dimensions  UNITmm

d4b89e28-7c03-455a-8b4c-e9c81141b687.png


原理图  Schematic Diagram

image.png


电气参数 Electric Characters

image.png